| Estado de Disponibilidad: | |
|---|---|
| Cantidad: | |
J21s
WORLD
-Argador de hoja
-Circles Blanking
-Se trabajar con el alimentador de bobina zig zag
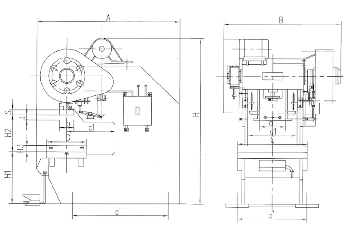
La profundidad de la garganta es personalizable de acuerdo con la lámina de bobina y el ancho de la placa de acero. El cuerpo soldado de la placa de acero tiene mayor resistencia y rigidez. El cuerpo del tipo de bloqueo mono es mucho mejor que el cuerpo fijo de los pernos de tipo economico.
La prensa de perforación de garganta profunda tipo manivela puede equipar con un embrague neumático opcional. Operación más segura y conveniente.
| Artículo | Unidad | J21S-10 | J21S-16 | J21S-25 | J21S-40 | J21S-63 | J21S-80 | J21S-100 | |
| Capacidad nominal | Kn | 100 | 160 | 250 | 400 | 630 | 800 | 1000 | |
| Longitud de tragamonedas de deslizamiento | mm | 45 | 55 | 65 | 90 | 110 | 120 | 140 | |
| Velocidad de accidente cerebrovascular | tiempos/minuto | 145 | 125 | 55 | 45 | 40 | 38 | 38 | |
| Max. Altura de cierre | mm | 180 | 220 | 270 | 320 | 390 | 440 | 480 | |
| Ajuste de altura de cierre | mm | 35 | 45 | 55 | 65 | 80 | 90 | 100 | |
| La profundidad de la garganta | mm | 300 | 500 | 600 | 710 | 800 | 800 | 900 | |
| Columna distancia | mm | 208 | 278 | 330 | 470 | 590 | 600 | 720 | |
| Tamaño inferior de la diapositiva | L-R | mm | 170 | 200 | 250 | 300 | 400 | 430 | 540 |
| PENSIÓN COMPLETA | mm | 150 | 180 | 220 | 260 | 360 | 360 | 480 | |
| Tamaño del orificio de mango | Diámetro | mm | 30 | 40 | 40 | 50 | 50 | 60 | 60 |
| Profundidad | mm | 55 | 60 | 60 | 70 | 70 | 75 | 75 | |
| Tamaño de la mesa de trabajo | L-R | mm | 370 | 450 | 560 | 700 | 860 | 950 | 1080 |
| PENSIÓN COMPLETA | mm | 240 | 300 | 370 | 460 | 570 | 650 | 710 | |
| Espesor de la mesa de trabajo | mm | 35 | 40 | 50 | 65 | 80 | 100 | 120 | |
| Diámetro del orificio de la mesa | mm | 80 | 100 | 120 | 150 | 180 | 200 | 220 | |
| La superficie de la mesa de trabajo a la distancia del suelo | mm | 730 | 750 | 800 | 835 | 860 | 850 | 850 | |
| Dimensiones totales | PENSIÓN COMPLETA | mm | 835 | 1250 | 1835 | 2338 | 2748 | 2720 | 2815 |
| L-R | mm | 665 | 850 | 950 | 1335 | 1500 | 1715 | 1790 | |
| Altura | mm | 1763 | 2030 | 2215 | 2660 | 2828 | 3290 | 3625 | |
| Potencia del motor eléctrico | KW | 1.1 | 1.5 | 2.2 | 5.5 | 7.5 | 7.5 | 11 | |
| Peso (aproximado) | KG | 950 | 1750 | 2750 | 5900 | 7600 | 9800 | 10080 | |
-Argador de hoja
-Circles Blanking
-Se trabajar con el alimentador de bobina zig zag
La profundidad de la garganta es personalizable de acuerdo con la lámina de bobina y el ancho de la placa de acero. El cuerpo soldado de la placa de acero tiene mayor resistencia y rigidez. El cuerpo del tipo de bloqueo mono es mucho mejor que el cuerpo fijo de los pernos de tipo economico.
La prensa de perforación de garganta profunda tipo manivela puede equipar con un embrague neumático opcional. Operación más segura y conveniente.
| Artículo | Unidad | J21S-10 | J21S-16 | J21S-25 | J21S-40 | J21S-63 | J21S-80 | J21S-100 | |
| Capacidad nominal | Kn | 100 | 160 | 250 | 400 | 630 | 800 | 1000 | |
| Longitud de tragamonedas de deslizamiento | mm | 45 | 55 | 65 | 90 | 110 | 120 | 140 | |
| Velocidad de accidente cerebrovascular | tiempos/minuto | 145 | 125 | 55 | 45 | 40 | 38 | 38 | |
| Max. Altura de cierre | mm | 180 | 220 | 270 | 320 | 390 | 440 | 480 | |
| Ajuste de altura de cierre | mm | 35 | 45 | 55 | 65 | 80 | 90 | 100 | |
| La profundidad de la garganta | mm | 300 | 500 | 600 | 710 | 800 | 800 | 900 | |
| Columna distancia | mm | 208 | 278 | 330 | 470 | 590 | 600 | 720 | |
| Tamaño inferior de la diapositiva | L-R | mm | 170 | 200 | 250 | 300 | 400 | 430 | 540 |
| PENSIÓN COMPLETA | mm | 150 | 180 | 220 | 260 | 360 | 360 | 480 | |
| Tamaño del orificio de mango | Diámetro | mm | 30 | 40 | 40 | 50 | 50 | 60 | 60 |
| Profundidad | mm | 55 | 60 | 60 | 70 | 70 | 75 | 75 | |
| Tamaño de la mesa de trabajo | L-R | mm | 370 | 450 | 560 | 700 | 860 | 950 | 1080 |
| PENSIÓN COMPLETA | mm | 240 | 300 | 370 | 460 | 570 | 650 | 710 | |
| Espesor de la mesa de trabajo | mm | 35 | 40 | 50 | 65 | 80 | 100 | 120 | |
| Diámetro del orificio de la mesa | mm | 80 | 100 | 120 | 150 | 180 | 200 | 220 | |
| La superficie de la mesa de trabajo a la distancia del suelo | mm | 730 | 750 | 800 | 835 | 860 | 850 | 850 | |
| Dimensiones totales | PENSIÓN COMPLETA | mm | 835 | 1250 | 1835 | 2338 | 2748 | 2720 | 2815 |
| L-R | mm | 665 | 850 | 950 | 1335 | 1500 | 1715 | 1790 | |
| Altura | mm | 1763 | 2030 | 2215 | 2660 | 2828 | 3290 | 3625 | |
| Potencia del motor eléctrico | KW | 1.1 | 1.5 | 2.2 | 5.5 | 7.5 | 7.5 | 11 | |
| Peso (aproximado) | KG | 950 | 1750 | 2750 | 5900 | 7600 | 9800 | 10080 | |
0086 21 62828320
0086 13817120700
wang@worldpowerpress.com