Noticias
Usted está aquí: Inicio » Noticias » Centro de Conocimiento » Cómo hacer coincidir la fuente de energía eléctrica de las máquinas de prensa

Cómo hacer coincidir la fuente de energía eléctrica de las máquinas de prensa

Vistas:0     Autor:Editor del sitio     Hora de publicación: 2022-07-01      Origen:Sitio

Preguntar

facebook sharing button
twitter sharing button
line sharing button
wechat sharing button
linkedin sharing button
pinterest sharing button
whatsapp sharing button
sharethis sharing button

Cómo hacer coincidir la fuente de energía eléctrica de sus máquinas de prensa

Las máquinas de prensa normalmente adoptan 3 fases fuentes de energía eléctrica. Este artículo es introducir los detalles de la fuente de energía demáquinas de prensa. Utilizamos World Brand Press Machines como ejemplos.


Ejemplo:World Brand C Frame Single Crank Press, JH21-160


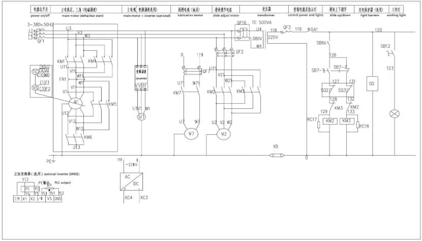
Hay tres piezas de motores eléctricos en la prensa. Motor principal para transmitir el sistema de transmisión, motor de freno plano para ajustar el portaobjetos y el motor pequeño para la bomba de grasa eléctrica. Ingrese la fuente de energía eléctrica conecta el motor principal y el motor de ajuste de deslizamiento directamente. La alimentación de entrada conecta el motor de la bomba de grasa a través de un transformador. El transformador transfiere el voltaje de potencia de entrada a 220V.

Power Press Diagrama eléctrico-2

Diferentes países tienen diferentes estándares de voltaje industrial. 220V, 380V, 400V, 415V, 440V y 600V. World Brand Press Machines se fabrican en China con voltaje estándar como 380V. El comprador confirmará el voltaje de potencia local antes de realizar el pedido con maquinaria mundial para las máquinas de prensa. World Machinery puede cambiar el estándar de voltaje de máquinas de prensa de potencia en consecuencia. El motor principal y el voltaje del motor de ajuste de la diapositiva deben cambiarse. El estándar de voltaje del inversor de frecuencia también debe cambiarse si el comprador necesita el inversor opcional. El voltaje del motor de la bomba de grasa no necesita cambio, porque la entrada es a través del transformador.

Presione Presione Conexiones de energía eléctrica-2

Conecte los 3 cables de fases a L1, L2 y L3. La educación física es tierra por seguridad. Encienda el motor principal, revise la dirección de rotación del volante de prensa. La dirección debe ser en sentido horario, como la flecha indica en el protector de seguridad del volante. Si la dirección es incorrecta, solo necesita reemplazar los dos terminales de L1, L2 y L3.


Estándar actual de los cables

Los amperios actuales están de acuerdo con la capacidad de potencia. La siguiente tabla es para referencia.

Poder (KW)

Voltaje (v)

Actual (a)

0.75

380

2

1.5

380

3.6

2.2

380

5

3

380

6.6

4

380

8.5

5.5

380

11.5

7.5

380

15.5

11

380

22

15

380

30

18.5

380

37

22

380

44

30

380

60

37

380

72

45

380

85

55

380

105

75

380

138

90

380

160


PONERSE EN CONTACTO

  0086 21 62828320

  0086 13817120700

         0086 13817590728

  wang@worldpowerpress.com

         info@worldpowerpress.com

ENLACES RÁPIDOS

PRODUCTOS

Copyright © Shanghai Yingxin World Machinery Co., Ltd Todos los derechos reservados. Número Registeration página web: 沪ICP备09030720号-3
tecnología deleadong/mapa del sitio